LD-A系列激光位移传感器产品介绍
LD-A系列激光位移传感器
产品特性
①超高性价比;
②顶部超大输出指示灯,更美观;
③具有高端产品一样的反馈回路。
显示/控制部分
1.基础值 5.“设置”键
2.测量值 6.“模式”键
3.调零指示灯 7.“向上”键
4.输出指示灯 8.“向下”键
数值单位:mm
安装方向
●相对于移动体的方向
<材质、有色差的情况下>
●测量时,移动的测量对象物的材质、颜色极端不同的情况下,按照下图 所示方向进行安装,从而可将测量误差控制可将在最小限度。
<对旋转的对象物进行测量>
●对旋转的对象物进行测量时,按照下图所示方向进行安装,从而可抑制 对象物的上下振动和位置偏移等的影响。
<有段差的情况下>
●移动的测量对象物存在段差的情况下,按照下图所示方法进行安装,从 而可抑制段差边缘的影响。
●在狭隘场所和凹陷部分进行测量
●在狭隘场所和孔中进行测量的情况下,安装时,请注意避免遮挡投光部 至受光部的光路。
●将传感器部安装到墙面的情况下
●请按照下图所示方法进行安装,以免墙面产生的多重反射光会入光到受 光部。另外,墙面的反射率较高的情况下,如改为无光泽的黑色则可获 得良好的效果。
输入/输出电路图

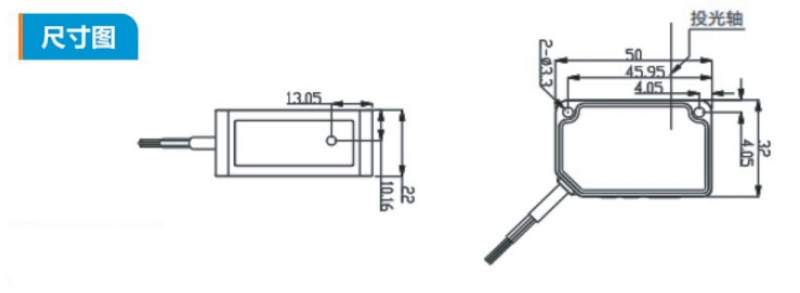
尺寸图
规格参数不同点
按输出类型分类:
NPN输出的型号有:LD-A030N,LD-A100N,LD-A200N;
PNP输出的型号有:LD-A030P,LD-A100P,LD-A200P;
控制输出说明:
<NPN输出型>NPN开路集电极晶体管最大流入电流: 50mA,外加电压:30V DC以下(控制输出-0V之间),剩余电压:1.5V以下(流入电流50mA以下)
<PNP输出型>PNP开路集电极晶体管最大流入电流:50mA,外加电压:30V DC以下(控制输出-+V之间),剩余电压:1.5V以下(流入电流50mA以下)
外部输入说明:
<NPN输出型>输入条件无效:+8V~+V DC或者开放有效:0V~+1.2V DC输入阻抗:约10KΩ
<PNP输出型>输入条件无效:0V~-+0.6V DC或者开放有效:+4V~+V DC输入阻抗:约10KΩ
按测量中心距离,检测范围,重复精度,光束直径分类:
30mm测量中心距离,检测范围±5,重复精度10μm,光束直径50μm的型号有:LD-A030N,LD-A030P;
100mm测量中心距离,检测范围±35,重复精度70μm,光束直径150μm的型号有:LD-A100N,LD-A100P;
200mm测量中心距离,检测范围±80,重复精度200μm,光束直径300μm的型号有:LD-A200N,LD-A200P;
按直线特性分类:
直线性±0.1%F.S.的型号有:LD-A030N,LD-A030P;
直线性±0.2%F.S.的型号有:LD-A100N,LD-A100P,LD-A200N,LD-A200P;
规格参数相同点
温度特性:0.03%F.S./℃
光源:红色半导体激光,CLASS2 最大输出:1mW,发光波长:655nm
电源电压:12V~24V DC+10%
消耗电流:60mA 以下(电源电压24V DC时),100mA以下(电源电压 12V DC时)
模拟电压输出:输出范围:0V-5V(报警时:+5.2V) 输出阻抗:100Ω
模拟电流输出:输出范围:4mA~20mA(报警时:0mA)负载:小于300Ω
反应时间:1.5ms/5ms/50ms 可切换
保护等级:IP66
使用环境温度:-10°C~+40℃(注意不可结露、结冰)、保存时:-20℃~+60℃
使用环境湿度:35%~85%RH、保存时:35%~85%RH
使用环境照度:白炽灯:受光面照明度3,000Lx以下
电缆:5 芯复合电缆 2m
材质:铝、 丙烯基
适用规格:符合EMC指令
产品特性
①超高性价比;
②顶部超大输出指示灯,更美观;
③具有高端产品一样的反馈回路。
显示/控制部分
1.基础值 5.“设置”键
2.测量值 6.“模式”键
3.调零指示灯 7.“向上”键
4.输出指示灯 8.“向下”键
数值单位:mm
安装方向
●相对于移动体的方向
<材质、有色差的情况下>
●测量时,移动的测量对象物的材质、颜色极端不同的情况下,按照下图 所示方向进行安装,从而可将测量误差控制可将在最小限度。
<对旋转的对象物进行测量>
●对旋转的对象物进行测量时,按照下图所示方向进行安装,从而可抑制 对象物的上下振动和位置偏移等的影响。
<有段差的情况下>
●移动的测量对象物存在段差的情况下,按照下图所示方法进行安装,从 而可抑制段差边缘的影响。
●在狭隘场所和凹陷部分进行测量
●在狭隘场所和孔中进行测量的情况下,安装时,请注意避免遮挡投光部 至受光部的光路。
●将传感器部安装到墙面的情况下
●请按照下图所示方法进行安装,以免墙面产生的多重反射光会入光到受 光部。另外,墙面的反射率较高的情况下,如改为无光泽的黑色则可获 得良好的效果。
输入/输出电路图

尺寸图
规格参数不同点
按输出类型分类:
NPN输出的型号有:LD-A030N,LD-A100N,LD-A200N;
PNP输出的型号有:LD-A030P,LD-A100P,LD-A200P;
控制输出说明:
<NPN输出型>NPN开路集电极晶体管最大流入电流: 50mA,外加电压:30V DC以下(控制输出-0V之间),剩余电压:1.5V以下(流入电流50mA以下)
<PNP输出型>PNP开路集电极晶体管最大流入电流:50mA,外加电压:30V DC以下(控制输出-+V之间),剩余电压:1.5V以下(流入电流50mA以下)
外部输入说明:
<NPN输出型>输入条件无效:+8V~+V DC或者开放有效:0V~+1.2V DC输入阻抗:约10KΩ
<PNP输出型>输入条件无效:0V~-+0.6V DC或者开放有效:+4V~+V DC输入阻抗:约10KΩ
按测量中心距离,检测范围,重复精度,光束直径分类:
30mm测量中心距离,检测范围±5,重复精度10μm,光束直径50μm的型号有:LD-A030N,LD-A030P;
100mm测量中心距离,检测范围±35,重复精度70μm,光束直径150μm的型号有:LD-A100N,LD-A100P;
200mm测量中心距离,检测范围±80,重复精度200μm,光束直径300μm的型号有:LD-A200N,LD-A200P;
按直线特性分类:
直线性±0.1%F.S.的型号有:LD-A030N,LD-A030P;
直线性±0.2%F.S.的型号有:LD-A100N,LD-A100P,LD-A200N,LD-A200P;
规格参数相同点
温度特性:0.03%F.S./℃
光源:红色半导体激光,CLASS2 最大输出:1mW,发光波长:655nm
电源电压:12V~24V DC+10%
消耗电流:60mA 以下(电源电压24V DC时),100mA以下(电源电压 12V DC时)
模拟电压输出:输出范围:0V-5V(报警时:+5.2V) 输出阻抗:100Ω
模拟电流输出:输出范围:4mA~20mA(报警时:0mA)负载:小于300Ω
反应时间:1.5ms/5ms/50ms 可切换
保护等级:IP66
使用环境温度:-10°C~+40℃(注意不可结露、结冰)、保存时:-20℃~+60℃
使用环境湿度:35%~85%RH、保存时:35%~85%RH
使用环境照度:白炽灯:受光面照明度3,000Lx以下
电缆:5 芯复合电缆 2m
材质:铝、 丙烯基
适用规格:符合EMC指令
下一篇:已经是最后一篇了
上一篇:LE-A系列激光位移传感器型号大全(图集)
“推荐阅读”
- LE-A系列激光位移传感器型号大全(图集)
- XAORI骁锐LE-A系列激光位移传感器产品介绍
- XAORI骁锐LZ-AC系列激光位移传感器产品手册
- XAORI骁锐科技LZ-A系列激光位移传感器LZ-AG015-R4-V-2M新品发布
- XAORI骁锐科技LZ-A系列激光位移传感器LZ-AC400N-R4新品发布
- XAORI骁锐科技LZ-A系列激光位移传感器LZ-AC100N-I新品发布
- XAORI骁锐科技LZ-A系列激光位移传感器LZ-AC100N-R4新品发布
- XAORI骁锐科技LZ-A系列激光位移传感器LZ-AC200N-V新品发布
- XAORI骁锐科技LZ-A系列激光位移传感器LZ-AC200N-I新品发布
- XAORI骁锐科技LZ-A系列激光位移传感器LZ-AC200N-R4新品发布
注册
登录
收藏骁锐
在线留言
网站地图
品质保障•让您采购零顾虑








二维码扫一扫